برای آزمون پژوهشی SEM
امروزه میکروسکپهای الکترونی روبشی به طور گستردهای در دانشگاهها و مراکز تحقیقاتی در علوم مختلف مورد استفاده قرار میگیرد. اساس کار میکروسکپ الکترونی مبتنی بر روبش سطح نمونه توسط پرتوالکترونی میباشد و در اثر برهمکنش الکترون و ماده، اطلاعات مختلفی در خصوص مورفولوژی سطح، ریزساختار، اندازه و شکل ذره در اختیار ما میگذارد. همچنین با داشتن آنالیزور EDS میتوان ترکیب شیمیایی ماده به صورت عنصری را نیز تعیین کرد.
دستگاهها و امکانات آزمایشگاه
آزمایشگاه میکروسکپ الکترونی مرکز پژوهش متالورژی رازی، با داشتن دو دستگاه میکروسکپ الکترونی SEM-TESCAN-XMU، SEM-TESCAN-LMU و یک دستگاه میکروسکپ الکترونی گسیل میدانی FESEM-TESCAN-MIRA۳-XMU آماده ارائه خدمات به مشتریان گرامی میباشد. این خدمات در زمینههای مهندسی، پزشکی، زمینشناسی، علوم پایه، نانومواد و غیره، در کوتاهترین زمان ممکن و با بهترین کیفیت ارائه میگردد.
میکروسکپهای XMU با داشتن محفظه (chamber) بزرگ، امکان قرار دادن تعداد بیشتری نمونه به طور همزمان را فراهم میکنند و بررسی قطعات صنعتی نیز امکانپذیر است. خدمات میکروسکپ الکترونی به صورت حضوری با تعیین وقت قبلی و همچنین به صورت غیرحضوری انجام میشود.
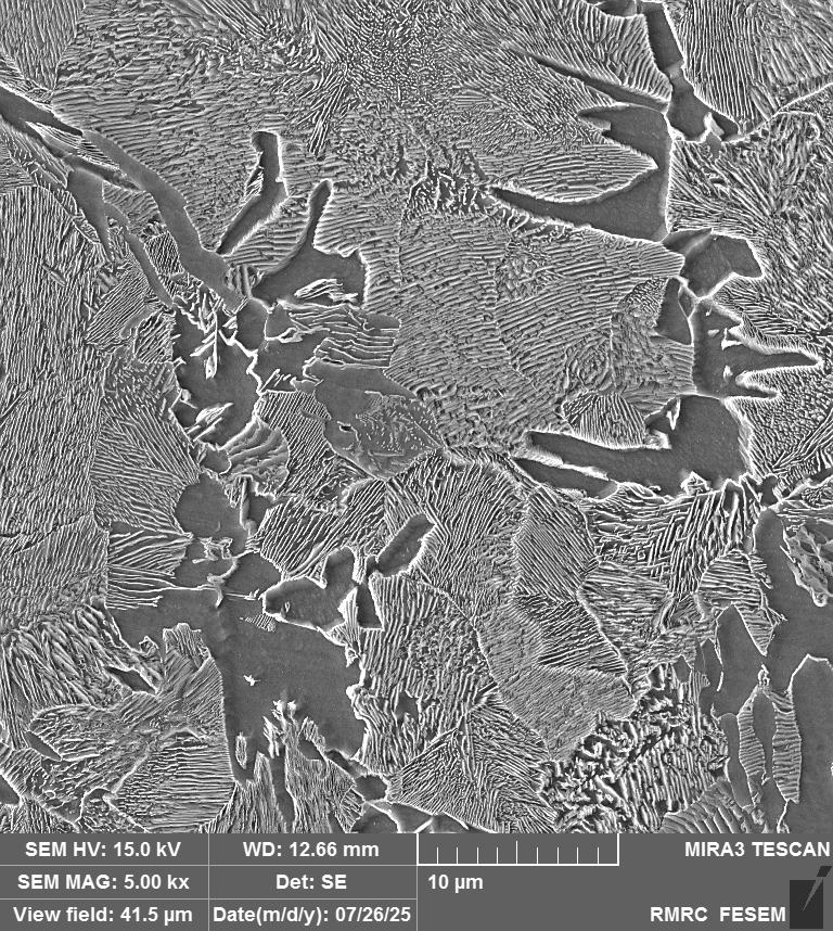
مهمترین خدمات قابل ارائه:
• تهیه تصاویر و بررسی ساختار میکروسکوپی
• بررسی سطح شکست (فرکتوگرافی)
• شناسایی اولیه مواد مجهول
• اندازهگیری ابعاد ذرات و رسم هیستوگرام و توزیع اندازه ذره
• آنالیز ساختاری و شیمیایی فیلرهای جوشکاری و بریزینگ
• آنالیز صفحهای و خطی (Line scan, Map)
• تهیه تصاویر از نمونههای بایو
• تهیه تصاویر از نمونههای گیاهی و جانوری
• تهیه تصاویر در خلا پایین
• تهیه تصاویر SEM و FESEM در ولتاژهای مختلف SEM (۳-۳۰ kV)
• تعیین جنس پوشش و ضخامت پوششهای چندلایه
• تعیین مش توریهای فلزی و غیرفلزی
میکروسکپ الکترونی گسیل میدانی FESEM-MIRA۳-XMU
این میکروسکپ از جدیدترین و پیشرفتهترین میکروسکپهای موجود در ایران است و امکان استفاده از آخرین تکنولوژی را برای کاربران فراهم میآورد. دستگاه دارای آشکارسازهای تصویربرداری BSE، SE و LVSTD بوده و قابلیت تصویربرداری در بزرگنمایی بالا و حتی در ولتاژهای پایین با کیفیت مطلوب را دارد. آشکارساز LVSTD امکان تصویربرداری تحت خلا پایین را فراهم میکند و برای نمونههایی که در خلا بالا آسیب میبینند نظیر نمونههای بایو، مواد پلیمری و نمونههای متخلخل مناسب است. همچنین این دستگاه مجهز به میکروآنالیز EDS نسل دوم است که امکان شناسایی کوچکترین فازها را میسر میسازد.
برای مشاهده اخبار مربوط به میکروسکپ به منوی اخبار علمی و جهت دانلود برگه ی پذیرش به برگه پذیرش مراجعه کنید.